礦山除塵器
- 礦山廠家除塵器 用于處理礦山破碎露天采礦或地下采礦的穿孔、鑿巖、爆破、裝運、破碎等工序均有粉塵散發,嚴重污染工作環境和大氣環境。無防塵措施的干鑿巖作業,其工作面粉塵濃度每...
- 咨詢熱線:13833733360
-
礦山除塵器生產廠家介紹
【礦山除塵器廠家】泊頭市凈化除塵設備廠專注除塵設備生產已有20年了,屬于老牌廠家。專業做礦山除塵器,型號全,可定制,價格和質量有保障。根據勘測現場設計適合的除塵設備并提供圖紙參數。
礦山除塵器廠家主要是根據現場工況、粉塵顆粒、粉塵濃度、來斷定除塵器的風量、風速、風機功率大小、安裝位置、安裝空間等一系列參數。依據之上之上主要參數來幫你設計方案、型號選擇、出示構造工程圖紙、性能參數等,有貴司審批后分配做。
我企業有著:制圖部、市場部、研發部門、制做部、質量檢驗部、安裝部、安裝部、采購部門、營銷部、售后維修服務部等。
除塵器設備制做排列:看圖開料、檢測開料規格、生產車間電焊焊接、拼裝電焊焊接、綜合性檢測、總體進行后調試、噴涂、新品公布、送貨、當場安裝、顧客工程驗收、完工進行。
廠家生產設備有:除塵器骨架拉絲機,框架自動焊接機、數控車床、高速沖床、液壓剪板機、自動焊接機、卷管機、等。
有著:除塵器布袋生產制造生產車間、除塵器骨架生產制造生產車間、除塵器設備生產制造生產車間等。
我們都是一條龍制做、市場銷售、售后維修服務、品質有確保、正中間外協加工少、降低了機器設備成本費、又能操縱產品品質、價格實惠。
我企業能夠出示當場勘察、幫你設計方案型號選擇、出示構造工程圖紙、原理、性能參數、售前服務、售后維修服務暖心。
-
礦山除塵器產品詳情
礦山除塵器用于處理礦山破碎露天采礦或地下采礦的穿孔、鑿巖、爆破、裝運、破碎等工序均有粉塵散發,嚴重污染工作環境和大氣環境。無防塵措施的干鑿巖作業,其工作面粉塵濃度每米。可達數百或上千毫克。井下破碎硐室無防塵措施時,粉塵濃度每米。達數千毫克。
采礦除塵的綜合防塵技術主要是噴灑除塵。根據塵源特點分別采用淋灑抑塵、噴霧降塵、覆蓋防塵等濕法防塵措施。在冰凍、缺水地區無條件用濕法防塵或用濕法防塵后達不到要求標準時,則需采用機械除塵或機械除塵與濕法防塵同時并用的綜合方法。機械除塵設備要適合礦山特點,要求結構簡單、體小緊湊、便于遷移,防潮耐用。在各作業工序采用綜合防塵措施仍達不到要求時,需要采取個人防護。
礦山原料破碎系統布袋除塵器對原料礦、塊礦以及石灰石、白云石、鋁土、原煤等原料的破碎機或粉碎機的投料口?p出料口、振動篩上部以及帶式輸送機轉運點等部位設密閉裝置或集塵罩,轉運點受料處宜設雙層密閉罩。
將產塵設備用密閉罩罩起來,或制作收塵小室,使罩內形成均勻負壓,避免粉塵外逸,或用敞口吸氣罩形成吸捕氣流,將暴露的塵化區控制在狹小范圍內,使攜塵氣流被吸捕抽走,通過除塵器凈化后經排氣筒(或煙囪)排入大氣。
混勻配料槽的槽上卸料車和槽下定量給料工位應采取除塵措施。槽上卸料車產生的粉塵可采用移動風口通風槽或車載式除塵器,或設大容積密閉罩。對槽下定量卸料裝置產生的粉塵宜設雙層密閉罩。對混勻配料槽揚塵,宜設獨立的干式除塵系統,采用袋式除塵器。
-
礦山除塵器價格行情
【礦山除塵器價格】根據工況、粉塵顆粒、粉塵濃度、來斷定除塵器的風量、風速、風機功率大小、安裝位置、安裝空間等一系列參數。選用規格型號、過濾面積、過濾風速、除塵器配置等影響本除塵器價格。可以快速準確快速報價、報裸價、含稅含運費價格、價格合理、出廠價、批發價。
我們能提供礦山除塵器價格實時報價,根據現場的詳細參數免費提供方案與成本價格,執行批發價格。同等質量的礦山除塵器,我們能做到批發價格銷售發貨。價格特別針對與泊頭相鄰的天津、山東、河北訂貨礦山除塵器價格有優惠,補運費差價。
-
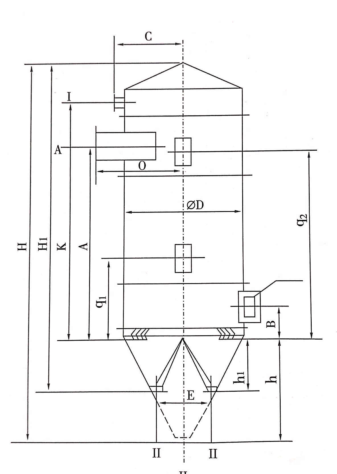
礦山除塵器結構圖紙
礦山除塵器結構圖紙免費提供,下面展示的是常見、常用的礦山除塵器結構圖紙,其它分多個型號規格,是由于網頁空間條件限制不能依依展示,大多數結構圖紙是根據現場的需要專門量身訂做的,上門測量是實地勘測,提供貼切的設計方案。







